你知道你的 LED 灯具的功率因数等于多少吗?可能绝大多数人都会回答说知道,如果再问一句你知道功率因数是什么吗?可能大多数人也是知道是什么,因为这是基本电工里的常识,可是如果再问一个问题,你知道你的电子产品的功率因数是正还是负?可能就是绝大多数人都不知道了。
为什么会这样?因为目前的数字式功率因数计根本就没有正负号的显示。
那么为什么会这样呢?这就说来话长了!
一、什么是功率因数?
我们知道,在电工里,所有的电压和电流都是正弦波,因为是正弦波所以就可以很方便地用矢量来表示。而在实际的电力系统里,负载不一定是纯阻,也就是说,电压不一定是和电流同相,如果是纯电感,那么电流就会落后于电压90度,如果是纯电容,那么电流就会领先电压90度。假如不是纯电感或者纯电容,那么就会有一个相角φ,这个φ可能是正,也可能是负,取决于负载的性质。感性负载φ为正,容性负载φ为负。

图1:用矢量表示的正弦波的电压和电流。
对于感性负载或是容性负载因为电流和电压不是同相,就会出现有功功率和无功功率两种不同的功率。所谓有功功率就是指和电压同相的电流分量和电压的乘积,所谓无功功率就是指和电压垂直的电流分量和电压的乘积。而有功功率实际上就是电流矢量在电压矢量上的投影,这个投影就是把电流矢量乘以它和电压夹角的余弦,也就是Cosφ,而且把这个Cosφ称之为功率因数。当φ为0度时,Cosφ就等于1,也就是纯阻。
感性负载时,0 < Cosφ < 1;而在容性负载时, -1 < Cosφ < 0。所以功率因数是肯定有正有负的!而且这是判断负载是容性还是感性的重要标志!功率因数也就是Cosφ,Cosφ就是功率因数,这是天经地义的事。
在电力系统里,希望所有负载都是纯阻,然而实际上是不可能的,而一旦Cosφ不等于1,其中的无功分量并不是真的无功,即使是完全和电压成直角的电流I,当它流过电线时仍然有I2R的损耗。所以在电力系统里是要想方设法地把功率因数进行校正,使其尽可能接近1。因为实际的电力系统的负载有很大一部分是电动机,它是一种感性负载,为了对这种感性负载进行补偿,通常采用在电力变压器的次级并联一个大电容的方法,就可以很有效地进行补偿。所以对于电力系统他们并不太在乎功率因数问题,因为是很容易补偿的。
二、电子系统的功率因数
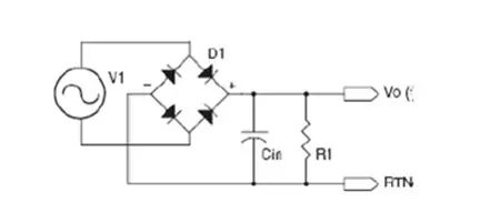
在电子系统里有很多电子器件,而几乎所有有源电子器件都是要求直流供电的,而在一般的市区或工厂都是采用交流电作为电源。所以几乎所有的电子系统里都需要有一个整流器来把交流整成直流,通常在后面还要加一个电解电容来滤波(图2.)。

图2:整流器和电解电容
这种电路因为包含有整流二极管,所以实际上是一种非线性电路,这可以从它的电源和电流的波形看出,这时候的电压和电流波形如图3所示。

图3:整流器的电压和电流的波形
显然,尽管电压还是正弦波,但是电流却变成了脉冲波。对于这种非线性系统,本来就很难来定义它的功率因数,因为功率因数本来是从线性系统里得来的。还好大多数电子系统都是家用小型电器,它对于大的电力系统影响不大。所以当时国家规定75瓦以下的电子系统不要求功率因数。这也是很合理的。甚至于到现在为止,美国的能源之星对于一般的照明系统还规定了100W以下不要求功率因数。
在荧光灯出现的时候,从来没有提出过什么功率因数的要求,所以采用电感镇流的普通日光灯的功率因数在0.5左右,过去也没有任何规定来限制。
然而到了节能灯国家就规定了15W以下不要求功率因数,但是因为大多数节能灯都是在15W以下,所以这个规定对于节能灯的大规模推广没有什么影响。到了 LED 却规定了5W以下才不要求功率因数。似乎对于节能效果越好的灯具,对PF的要求就越苛刻!这实在是很难理解的!
因为现在对小功率的 LED 的功率因数有规定了,那么对这种非线性系统的功率因数总应该有个定义。要不然怎么来测试?然而,要对非线性系统的功率因数做个定义实在是太难了。为此,很多人提出了各种建议:
1、利用电流的基波和电压之间的相位差的余弦作为功率因数。可是因为电流的基波是从傅氏变换得来的,傅氏变换只能等到它的幅度,而不能得到它的相位,相位是相对的,必须有一个对照才能够得到相位。而在做傅氏变换时并没有把电压的相位作为基准,所以得到的结果也没有相位。所以这种建议是无法实现的。
2、把电流的过零点作为电流的起始相位,把这个相位和电压的相位差的余弦作为功率因数。但是因为电流的波形并不是正弦波,而是脉冲波。所以把一个脉冲波的过零点作为其起始相位也是没有道理的。
3、最后终于有人想出一个很勉强的定义,就是把功率因数定义为有功功率和无功功率之比。
PF = 有功功率/无功功率
虽然在正弦波的线性系统里,如果用这个定义,至少在绝对值上是和Cosφ的绝对值是一样的。有功功率就是把电流投影到电压轴上再乘以电压值。而无功功率就是直接把电流矢量和电压矢量相乘而不考虑其相位差。显然,在线性系统里其绝对值是和Cosφ的绝对值是一致的,但是这种比值却是没有正负号的。
而且,如何在一个非线性系统里定义有功功率和无功功率也是一个很大的问题。
现在大多数是采用如下的公式:

其中:

称为相位因素
至于什么是相位因素就无人回答了。因为这个相位是无法得出的。
而且如果在非线性系统里用这个定义也就丢掉了功率因数Cosφ的正负号,因为功率是没有负功率的。由于所有的数字式功率因数计都采用了这个定义,结果也就丢掉了正负号。没有正负号的功率因数也失去了制定功率因素的根本意义!
三、实测的功率因数
我们现在就来看一下真实世界里的功率因数情况。正因为其中的视在功率是很难定义的,也是很难测定的,所以就出现了采用不同的仪器测出的结果不一样。举例来说,有一个11瓦的球泡灯,其中采用了桥式整流器加上10uF电解电容,采用三种仪器测量,测出的结果如下:

三种仪器测试误差高达8%以上,完全不像测电压测电流测功率那么精准!
这么大的误差,假如要求PF一定要大于0.5,那么只要采用同惠的功率因数计,但是假如检测方一定要坚持采用远方的测试数据那就不合格了。这样的结果简直是使人们无所适从,想来想去应该采用电工系统里经官方认证的最经典的Cosφ计来测,其结果才最具有权威性。而且Cosφ测试仪不像数字测试仪,还能够得出正负号的。
四、指针式功率因数计
仔细搜索一下可以发现正式电力系统采用的功率因数计大多数是指针式的,这种功率因数计也称为Cosφ计。有单相的,也有三相的。这种电动式的动圈式功率因数表的转动线圈改为二个垂直的动圈。电表的磁场由负载电路中的电流产生。垂直的动圈分别为A和B,A线圈串接电阻后与负载线路并联,B线圈串接电感后与负载线路并联,因此B线圈的电流会较A线圈落后。
在功率因数为1时,A线圈的电流会和负载电流同相,因此A线圈会产生最大的力矩,使功率因数表的指针指向1.0的刻度。若功率因数为0时,B线圈的电流会和负载电流同相,因此B线圈会产生力矩,使功率因数表的指针指向0的位置。若功率因数界于0和1之间,会依二个线圈产生力矩的大小决定最后指针的位置。其外形如下。

图:指针式功率因数计,测试时的连接图。
我们对一个102W 的 LED 光引擎采用了数字式和指针式两种功率因数计,其测试结果如下:

图:光引擎的整流器(采用124uF电解电容) 带恒流源的102W光引擎。
采用数字式功率和功率因数计所得结果和采用指针式功率因数计测得结果完全不同。

图:数字式测得PF = 0.6590,指针式测得PF = +0.9
这个结果是非常令人惊喜的,因为不需要加任何功率因数补偿就可以得到+0.9 的功率因数!而且这是最权威的结果,也是应该得到官方的承认的。
五、结束语
实际上,对于非线性系统的功率因数定义,在国际上也有很多争议,据说一共有7种定义之多。难怪这个问题在美国还作为硕士论文的题目,在瑞典还作为博士论文的题目在研究。在中国的百度学术里也可以查到有3135篇论文在研究这个问题。奇怪的是,对于这样一个国际上都没有定论的指标,居然被官方确定为必须严格执行的指标,而且越是节能的灯具就要求越苛刻!真不知道这些官员是怎么想的!如果真的是这样,那么我看只能“上有政策下有对策”了!建议大家都来采用指针式的功率因数计来得到官方也无法否定的功率因数值!
文/迪达尔办公照明推荐。
【版权信息】本文来源于中国半导体照明网,作者:茅于海,由照明微课堂编辑整理,转载请注明。